|
|
|
|
| 摘要: |
| RD型二次包絡蝸輪蝸桿減速器是引進美國羅可普公司(ROKOPCO/U.S.A)專利技術而生產的冶金行業專用減速器,其承載能力大,結構緊湊、合理、體積小、廣泛適用于冶金軋鋼機組中拉矯機,引錠桿存放裝置及振動裝置。 |
 |
| | |
| RD型二次包絡蝸輪蝸桿減速器是引進美國羅可普公司(ROKOPCO/U.S.A)專利技術而生產的冶金行業專用減速器,其承載能力大,結構緊湊、合理、體積小、廣泛適用于冶金軋鋼機組中拉矯機,引錠桿存放裝置及振動裝置。
采用軸裝式結構,易于同工作機械相聯。
箱體采用樹脂砂鑄造,結構緊湊,外形美觀。
傳動比可隨用戶要求而變。
RD型二次包絡蝸輪蝸桿減速機型號
RD-11-7.5、RD-11-10、RD-11-12.5、RD-4-240、RD-5.5-200、RD-5.5-280。
RD型二次包絡減速機基本參數
|
型號
|
中心距(mm)
|
傳動比
|
輸入功率
(KW)
|
輸入轉速
(rpm)
|
傳動效率
(%)
|
允許工作油溫(℃)
|
用途
|
|
RD-11-7.5
|
125
|
7.5
|
11
|
1750
|
90
|
10-100
|
①*
|
|
RD-11-10
|
125
|
10
|
11
|
1750
|
90
|
10-100
|
①
|
|
RD-11-12.5
|
125
|
12.5
|
11
|
1750
|
89
|
10-100
|
①
|
|
RD-4-240
|
180
|
240
|
4
|
1500
|
63
|
10-100
|
②*
|
|
RD-5.5-200
|
200
|
200
|
5.5
|
1500
|
66
|
10-100
|
③*
|
|
RD-5.5-280
|
200
|
280
|
5.5
|
1500
|
60
|
10-100
|
③
|
*①振動裝置 ②引錠桿存放裝置 ③拉矯機
RD系列二次包絡減速器型號說明及注意事項
型號說明:
注意事項:
1.必須使作N320蝸輪油或Mobil SHC634 合成齒輪油。
2.尺寸及規格如有變更,恕不另行通知。
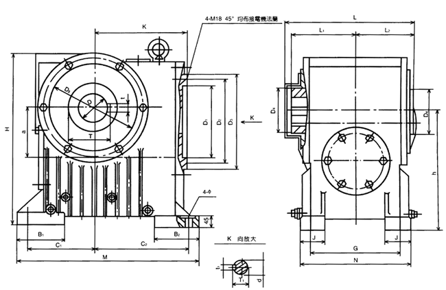
|
型號\尺寸
|
a
|
B1
|
B2
|
C1
|
C2
|
M
|
J
|
G
|
N
|
H
|
h
|
K
|
L
|
L1
|
|
-7.5
RD-11 -10
-12.5
|
125
|
115
|
190
|
175
|
255
|
480
|
68
|
230
|
280
|
495
|
300
|
243
|
340
|
150
|
|
RD-4 -240
|
180
|
162
|
150
|
225
|
325
|
620
|
85
|
300
|
375
|
612.5
|
420
|
318
|
453
|
220
|
|
RD-5.5 -200
-280
|
200
|
80
|
80
|
145
|
305
|
500
|
80
|
340
|
390
|
636
|
440
|
373
|
484
|
210
|
|
型號\尺寸
|
L2
|
D1
|
D2
|
D3
|
D4
|
D5
|
D
|
T
|
t
|
d
|
T1
|
t1
|
φ
|
|
-7.5
RD-11 -10
-12.5
|
150
|
φ280
|
φ315
|
/
|
φ125
|
/
|
φ90
|
95.4
|
25
|
φ32
|
34.8
|
10
|
φ20
|
|
RD-4 12.5
-240
|
200
|
φ260
|
φ300
|
φ340
|
φ160
|
φ300
|
φ100
|
106.4
|
28
|
φ28
|
31.3
|
8
|
φ24
|
|
RD-5.5 -200
-280
|
210
|
φ280
|
φ315
|
φ355
|
φ160
|
φ315
|
φ100
|
106.4
|
28
|
φ32
|
34.8
|
10
|
φ20
|
如果您想對RD型二次包絡減速器產品進行進一步了解或者訂購,請致電本公司營銷中心,營銷中心電話:0534-2418881,竭誠為您服務。
|
| |